Consulta el catálogo de recambios

WH000357 - Z400 iQ MD7 S

Revisión nº: 6 | Fecha: 21-01-2026

Z400 iQ MD7 S

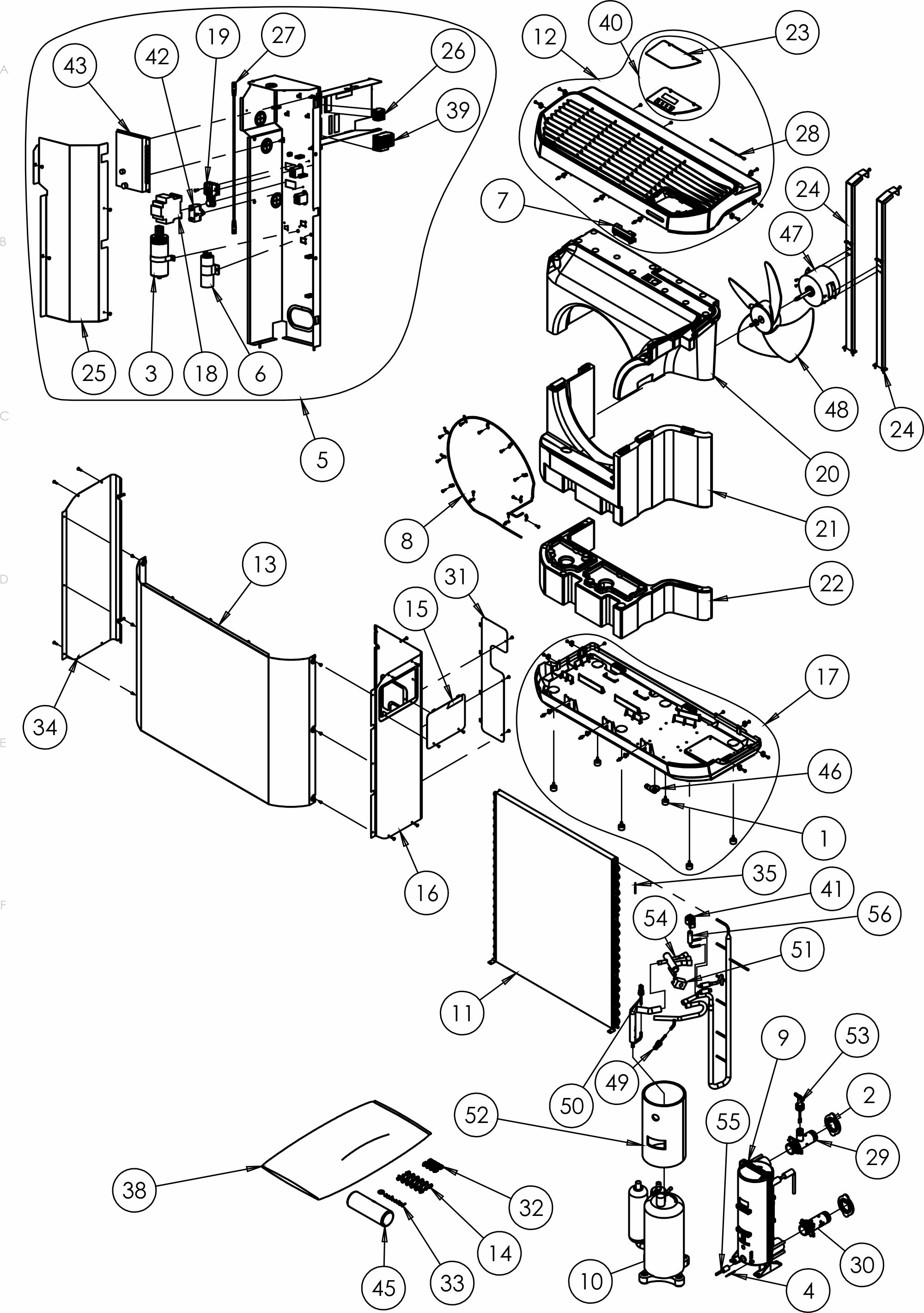
Piezas del despiece (kits o unitarios)

POS. CÓDIGO DESCRIPCIÓN    
1 A0261100A PIE ANTIVIBRATORIO
2 A0353900A SOPORTE RACOR CONDENSADOR
3 B0181800A CONDENSADOR COMPRESOR 60 µF PO
4 R06740 SONDA ÚNICA ST1,ST2,ST3,ST4 Y ST5
5 R0811200 CAJA ELÉCTRICA EQUIPADA
6 R0811600 CONDENSATEURS VENTIL 2X Z400
FOR < 03/2022
7 R0811900 KIT LED COMPLET Z400
8 R0812000 KIT CABLE CHAUFFANT Z400
9 R0812200 INTERCAMBIADOR DE TITANIO
10 R0812600 COMPRESOR
11 R0813300 EVAPORADOR
12 R0813500 OP Z400 4/5/7
13 R0861300 FRONT PANEL COMP.Z400 MEDIUM-S
14 R0814300 KIT FIXATION PANNEAU AV
15 R0814400 PORTE TECHNIQUE LATERAL Z400
16 R0814600 PANEL DERECHO
17 R0814800 BASE Z400 4/5/7
18 R0815300 RELÉ COMPRESOR (25A)
19 R0815700 VARISTOR
20 R0817200 CONVOYEUR HT Z400 4/5/7
21 R0817300 CONVOYEUR BAS Z400 4/5/7
22 R0817400 TRANSPORTADOR DE AIRE, CUÑA DE ELEVACIÓN
23 R0817800 TAPA CONTROLADOR
24 R0818100 SOPORTE MOTOR VENTILADOR
25 R0818600 ESCOTILLA TRASERA
26 R0818700 TERMINAL PARA OPCIONES
27 R0818800 CABLE DE CONEXIÓN PLACA BASE / IHM
28 R0818900 CABLE IHM - LED
29 R0819000 RACOR INTERCAMBIADOR CON DERIVACIÓN PARA FLUJOSTATO
30 R0819100 RACOR INTERCAMBIADOR SIN DERIVACIÓN
31 R0819200 ESCOTILLA DE VISIÓN TRASERA
32 R0819300 TUERCAS DE PLÁSTICO
33 R0819600 KIT TORNILLO PARA UNIDAD ENTERA
34 R0820100 PANEL IZQUIERDO
35 R0827600 SENSOR TEMPERATURA ST2
38 R0839900 FUNDA HIVERNAL
39 R0840800 TERMINAL DE POTENCIA
40 R0841100 IHM CON TAPA (VERSIÓN WI-FI)
41 R0848600 BOBINA UKV PARA VÁLVULA ELECTRÓNICA DE EXPANSIÓN
42 R0849900 CONDENSADOR MOTOR VENTILATOR (15µF)
FOR < 03/2022
42 R0968200 12 UF/450V CONDENSADOR
FOR ≥ 03/2022
43 R0931700 PLACA BASE A1 Z400
45 75937 CONJ.RACCORD CONEX.ABOCARDADO
46 WTC02971 CODO PURGA AGUA CONDENSACIÓN
47 R09494 MOTOR DEL VENTILADOR
FOR ≥ 03/2022
47 R09496 MOTOR DEL VENTILADOR
FOR < 03/2022
48 WTC03784 HÉLICE VENTILADOR
49 WTC03815 PRESOSTATO BP
50 WTC03816 PRESOSTATO HP
51 WTC03836 BOBINA VÁLVULA DE 4 VÍAS
52 WTC03926 ISOLATION COMPRES. PFPREM 11/13
53 WTC03943 INTER. DE DEBIT PF PREM
54 WTC03989 VÁLVULA DE 4 VÍAS
55 WTC03991 RESISTENCIA DESHIELO INTERCAMBIADOR (55W, 65CM)
56 WTC03994 DETENDEUR UVL PFPREM 13 ET 15

Últimas Novedades:

VER MÁS NOVEDADES

¿Necesitas ayuda?

¿Estás buscando ayuda para encontrar el recambio que necesitas? No dudes en ponerte en contacto con tu Proveedor Oficial de FLUIDRA. Estaremos encantados de asistirte en tu búsqueda

Utilizamos cookies, propias y de terceros, para asegurar el correcto funcionamiento del sitio web y para analizar nuestros servicios y mejorar su experiencia en nuestro sitio web. Puede aceptar las cookies haciendo clic en "Aceptar" o rechazarlas haciendo clic Rechazar. Si desea saber más sobre el uso de las cookies, consulte nuestra Política de Cookies.
Aceptar Rechazar